![]()
ガードレール 分離帯用 土中用

目的
進行方向を誤認した車両の路外逸脱防止、車両乗員の傷害や車両の破損の最小化、逸脱車両による第三者への人的・物的被害の防止、車両の進行方向復元です。特徴
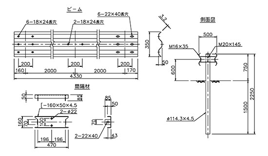
| 種別 | 記号 | ビーム(mm) | 支柱(mm) | |
|---|---|---|---|---|
| 土中用 | ||||
| B種 | Gr-Bm-4E2 | 3.2×350×4,330 | 4.5×Φ114.3×2,250 | |
支柱

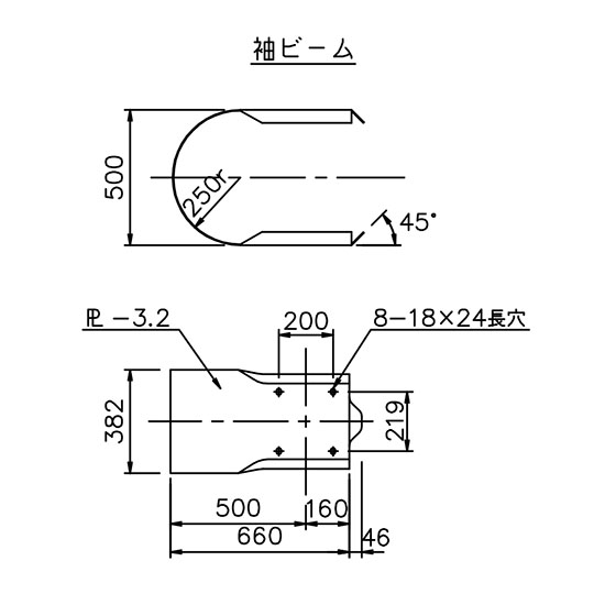
袖ビーム

配送・来社引き渡しが出来ます。
※欠品時は、納期がかかります
※製品の仕様は予告なく変更することがあります
※生産を終了する場合があります

商品の購入・リースをご希望の方は、
商品ご購入までの流れ・リース用品ご利用の流れをご確認の上、お問い合わせください。
